Paraiméadair Táirge: DIN7

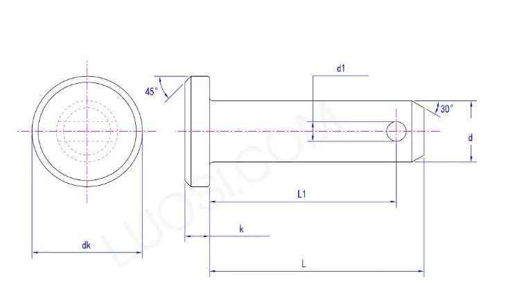
An Bioráin Cotter Tíotáiniam Is ceanglóir éadrom, ard-neart é atá deartha le haghaidh glasáil shlán in feidhmeanna tionsclaíochta éagsúla. Déanta as tíotáiniam de ghrád préimhe, cuireann sé friotaíocht creimeadh eisceachtúil ar fáil, rud a fhágann go bhfuil sé oiriúnach do thimpeallachtaí foircneacha mar aeraspáis, innealtóireacht mhara agus próiseáil cheimiceach. Cibé an úsáidtear iad chun boltaí, cnónna, nó bioráin clevis a dhaingniú, soláthraíonn ár dtáirgí iontaofacht agus marthanacht níos fearr.
| Paraiméadar | Sonraíocht |
|---|---|
| ábhar | Tíotáiniam Grád 2 / Grád 5 (Ti-6Al-4V) |
| Caighdeán | DIN94, ANSI B18.8.1 , ISO 1234 |
| críochnaigh Dromchla | Snasta, Anodized |
| Fad | Customizable |
| trastomhas | 1.0mm - 10mm |
| Maoin | luach |
| Neart teanntachta | 275 - 950 MPa (ag brath ar an ngrád) |
| Neart Toradh | 250 - 880 MPa |
| fadú | 10 - 20% |
| Cruas | 120 - 350 HV |
| Comhshaol | Feidhmíochta |
| Sáile | Excellent |
| Aigéid agus Alcailí | Friotaíocht Ard |
| Teochtaí Ard | Cobhsaí suas go dtí 600 ° C |

Friotaíocht Eisceachtúil i gCreimeadh: Foirfe do thimpeallachtaí crua, lena n-áirítear tionscail mhara agus ceimiceacha.
Éadrom & Ardneart: Soláthraíonn tíotáiniam neart níos fearr agus meáchan á laghdú.
Bith-chomhoiriúnacht: Sábháilte le haghaidh feidhmeanna leighis ar nós ionchlannáin agus uirlisí máinliachta.
Méideanna Inoiriúnaithe: Ar fáil i faid agus trastomhais éagsúla chun freastal ar riachtanais shonracha.
Saol Seirbhíse Fada: Frithsheasmhach in aghaidh caitheamh agus cuimilt, ag cinntiú fad saoil in iarratais éilitheacha.
ár Pionnaí Cotter Tíotáiniam a úsáidtear go forleathan sna tionscail seo a leanas:
Aeraspáis & Eitlíocht: Comhpháirteanna ríthábhachtacha in aerárthaí agus spásárthaí a dhaingniú.
Leighis & Cúram Sláinte: Úsáidtear é in uirlisí máinliachta agus ionchlannáin mar gheall ar a mbith-chomhoiriúnacht.
Próiseáil Cheimiceach: Seasann sé le ceimiceáin chrua in imoibreoirí agus in umair stórála.
Earnáil an Fhuinnimh: Ideal le haghaidh feidhmeanna núicléacha, gaoithe agus cumhachta gréine.
Innealtóireacht Mhuirí: Frithsheasmhach do chreimeadh sáile, oiriúnach do struchtúir amach ón gcósta.
Déantúsaíocht Thionsclaíoch: Úsáidtear é i dúntóirí, innealra agus uirlisí.
Roghnú Amhábhar: Tíotáiniam de ghrád préimhe a fhoinsiú agus a iniúchadh.
Meaisínithe beachta: Cinntíonn meaisínithe CNC toisí beacht agus caoinfhulaingt.
Cóireála dromchla: Snasú nó anodizing le haghaidh feidhmíochta feabhsaithe.
Rialú Cáilíochta: Tástáil dhian chun caighdeáin ASTM agus ISO a chomhlíonadh.
Iniúchadh Deiridh & Pacáistiú: Táirgí saor ó lochtanna a chinntiú roimh an loingsiú.
Réitigh saincheaptha, seachadadh tapa, praghsáil iomaíoch, agus seirbhís den scoth.
Déantúsaíocht Táirge Tíotáiniam
Déanann Baoji Chuanglian New Metal Material Co., Teo speisialtóireacht i ndéantúsaíocht tíotáiniam ardchaighdeáin agus táirgí miotail neamhchoitianta. Le breis is deich mbliana de thaithí, déanaimid slata tíotáiniam, plátaí, feadáin, dúntóirí, agus comhpháirteanna saincheaptha. Comhlíonann ár dtáirgí caighdeáin dhian náisiúnta agus idirnáisiúnta, ag cinntiú marthanacht agus iontaofacht. Freastalaímid ar thionscail ar nós aeraspáis, leighis agus peitriceimiceach, ag soláthar réitigh tíotáiniam ardfheidhmíochta atá oiriúnaithe do riachtanais na gcustaiméirí.
Meaisínithe Tíotáiniam Beachtais
Feistithe le meaisíní CNC chun cinn, cuirimid seirbhísí meaisínithe cruinneas ar fáil, lena n-áirítear gearradh, muilleoireacht, druileáil agus casadh. Cinntíonn ár dteicneoirí a bhfuil taithí acu cruinneas agus cáilíocht ard i ngach comhpháirt. Trí uasghrádú leanúnach a dhéanamh ar ár dteicneolaíocht, comhlíonaimid éilimh chasta meaisínithe do thionscail éagsúla. Cibé an bhfuil páirteanna tíotáiniam caighdeánach nó réitigh saincheaptha de dhíth ort, soláthraímid seirbhísí éifeachtacha agus iontaofa.
Rialú docht ar ardchaighdeán
Coinnímid córas rialaithe cáilíochta dian ó roghnú amhábhar go cigireacht deiridh. Déantar tástáil críochnúil ar gach táirge chun feidhmíocht agus fad saoil níos fearr a chinntiú. Tá muinín ag cuideachtaí domhanda ar ár gcuid táirgí tíotáiniam le blianta fada, ag tuilleamh cáil ar iontaofacht. Le cloí go docht le caighdeáin cháilíochta, ráthaímid táirgí ardchaighdeáin le seachadadh in am.
Réitigh Tíotáiniam Domhanda
Ag freastal ar thionscail ar fud an domhain, soláthraímid réitigh tíotáiniam gairmiúla, ó tháirgeadh go tacaíocht iar-díolacháin. Úsáidtear ár gcuid táirgí go forleathan i réimsí aeraspáis, leighis, mara agus tionsclaíochta. Dírímid ar shástacht na gcustaiméirí, ag tairiscint seirbhísí saincheaptha agus cúnamh teicniúil. Le tiomantas do nuálaíocht agus cáilíocht, déanaimid ár ndícheall comhpháirtíochtaí fadtéarmacha a thógáil agus táirgí tíotáiniam ardluacha a sheachadadh ar fud an domhain.
Tionscail Feithicleach
Tionscal Leictreonaic
Tionscal Aerospace
Tionscal Leighis
Gluaisteáin agus Rásaíocht
Tomhaltóirí Leictreonaic
Cén fáth Roghnaigh Linn?
Deichniúra Saineolais
Le breis agus 10 mbliana de thaithí, soláthraímid táirgí tíotáiniam beachta ardchaighdeáin atá oiriúnaithe do chaighdeáin an tionscail.
Réitigh Saincheaptha
Soláthraímid réitigh saincheaptha tíotáiniam chun freastal ar do riachtanais shonracha, ag cinntiú an fheidhmíocht agus an sásamh is fearr.
Ardteicneolaíocht
Cinntíonn ár n-innealra nua-aimseartha déantúsaíocht beacht, ag tairiscint réitigh tíotáiniam nuálaíocha agus iontaofa.
Tacaíocht Dhomhanda
Cuirimid seirbhís chustaiméara den scoth, seachadadh tapa, agus tacaíocht iar-díola iontaofa ar fáil ar fud an domhain.
Ábhair Deimhnithe: Comhlíonadh ASTM, AMS, agus ISO.
Cigireacht dhian: Tástáil maoine toisí agus meicniúla.
Tástáil Tríú Páirtí: Ar fáil, arna iarraidh sin.
Inrianaitheacht Iomlán: Rianú ábhar agus bhaisc do gach ordú.
Pacáistiú Caighdeánach: Málaí plaisteacha, ansin pacáilte i gcartáin dhaingean.
Pacáistiú saincheaptha: Ar fáil le haghaidh orduithe mórchóir.
Roghanna Loingseoireachta: Aer, farraige, agus seachadadh tapa.
Am Luaidhe: De ghnáth 7-15 lá, ag brath ar mhéid an ordaithe.
Comhairliúchán Teicniúil: Sainchomhairle ar roghnú ábhar agus iarratais.
Seirbhís Tar éis Díolacháin: Tacaíocht thiomnaithe d'aon saincheisteanna táirge.
Ordú Solúbtha: Glactar le horduithe baisc bheaga agus mórchóir.
Os cionn 10 Bliain de Thaithí: Monaróir ceanglóir tíotáiniam iontaofa.
Ard-Déantúsaíocht: Feistithe le CNC agus uirlisí meaisínithe cruinneas.
Reach Domhanda: Soláthar go Meiriceá Thuaidh, san Eoraip, agus san Áise.
Praghsáil Iomaíoch: Táirgí ardchaighdeáin ar rátaí costéifeachtacha.
Am Luaidhe Gasta: Táirgeadh agus seachadadh pras.
Toisí & Gráid Chustaim: In oiriúint do shonraíochtaí an chliaint.
Lipéadú Príobháideach: Roghanna brandála ar fáil.
Forbairt Fréamhshamhail: Tacaíocht do thionscadail T&F.
C: Cad iad na gráid tíotáiniam a thairgeann tú le haghaidh bioráin cotter?
A: Cuirimid Grád 2 (tíotáiniam íon go tráchtála) agus Grád 5 (Ti-6Al-4V) ar fáil, ag brath ar do riachtanais iarratais.
C: An féidir leat samplaí a sholáthar roimh orduithe mórchóir?
A: Is féidir, is féidir linn samplaí a sholáthar arna iarraidh sin.
C: Conas a chinntíonn tú cáilíocht do tháirgí?
A: Leanaimid bearta rialaithe cáilíochta dian, lena n-áirítear tástáil ábhair, seiceálacha tríthoiseach, agus iniúchtaí tríú páirtí.
C: An bhfuil tú ag seoladh go hidirnáisiúnta?
A: Sea, táimid ag long ar fud an domhain le comhpháirtithe lóistíochta iontaofa.
Le haghaidh fiosrúcháin agus orduithe, déan teagmháil linn ag:
📧 Ríomhphost: eolas@cltifener.com
📞 Fón: +86 13571186580
Ordaigh do Bioráin Cotter Tíotáiniam inniu agus taithí a fháil ar fheidhmíocht ardchaighdeáin do d'fheidhmchláir thionsclaíocha!
Faigh amach faoinár dtáirgí agus lascainí is déanaí trí SMS nó ríomhphost